📒30. Copia y resuelve en tu cuaderno
Obten la resistencia equivalente y resuelve el circuito:

Sol: R12=34,28 Ω ; RT=54,28 Ω; IT=0,184 A
Obten la resistencia equivalente y resuelve el circuito:

Sol: R12=34,28 Ω ; RT=54,28 Ω; IT=0,184 A
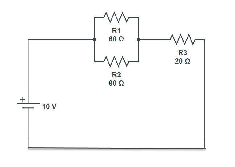
Obten la resistencia equivalente y resuelve el circuito:

Sol: R123=30 Ω; RT=200 Ω; IT=0,25 A
Calcula la resistencia equivalente:

Sol: R=6 Ω
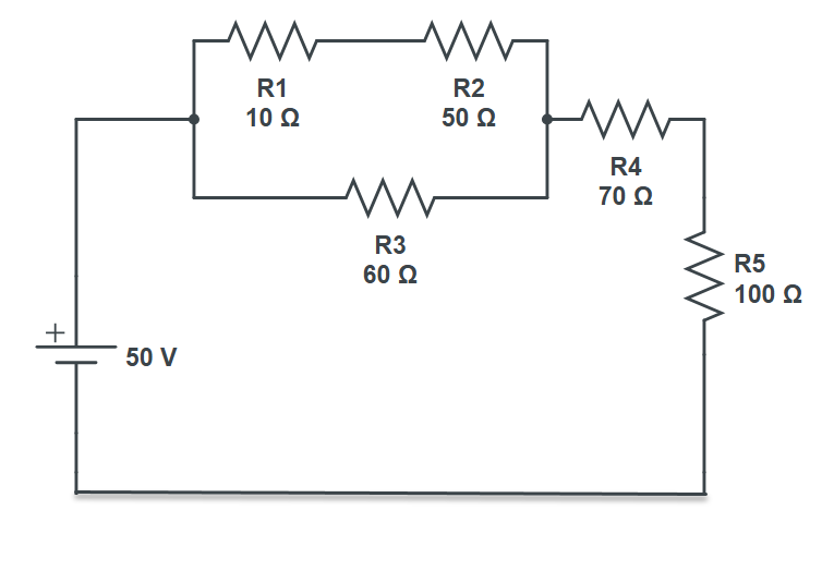
Calcula la resistencia equivalente:

Sol: RT= 196,60 Ω
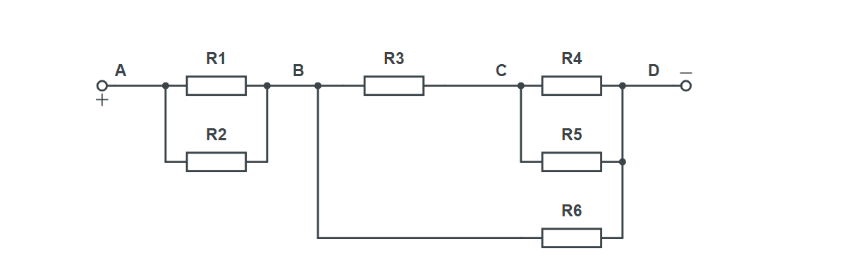
Determina las tensiones, potencias e intensidades de cada una de las resistencias del circuito mixto de la figura si aplicamos entre los extremos del circuito una tensión de 100 V.

Sol: R34= 4 Ω; R234=10Ω; R2345=5 Ω; RT=100 Ω; IT=1A; V1=95V; V2345=5V; I1=0,5 A; I4=0,5A; V2=3V; V34=2V; I2=0,33A; I3=0,17A; P1=95 W; P2=1,5W; P3=0,66 W; P4=0,4W; P5=2,5W
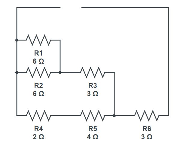
Determina las magnitudes desconocidas (I, V, P) de cada una de las resistencias del circuito de la imagen, así como la tensión total aplicada al conjunto de las mismas, si todas las resistencias poseen el mismo valor (10 Ω) y la tensión medida en los extremos de R5 es de 10 V.

Sol: I5= 1A; I4=1A; I3=2A; VBC=20 V; VBD=30 V; I6=3A; IT=5A; I1=I2=2,5 A; VAB= 25 V; VT=55 V; P1=62,5 W; P2=62,5 W; P3=40 W; P4=10 W; P5=10 W; P6 =90 W; PT= 275 W
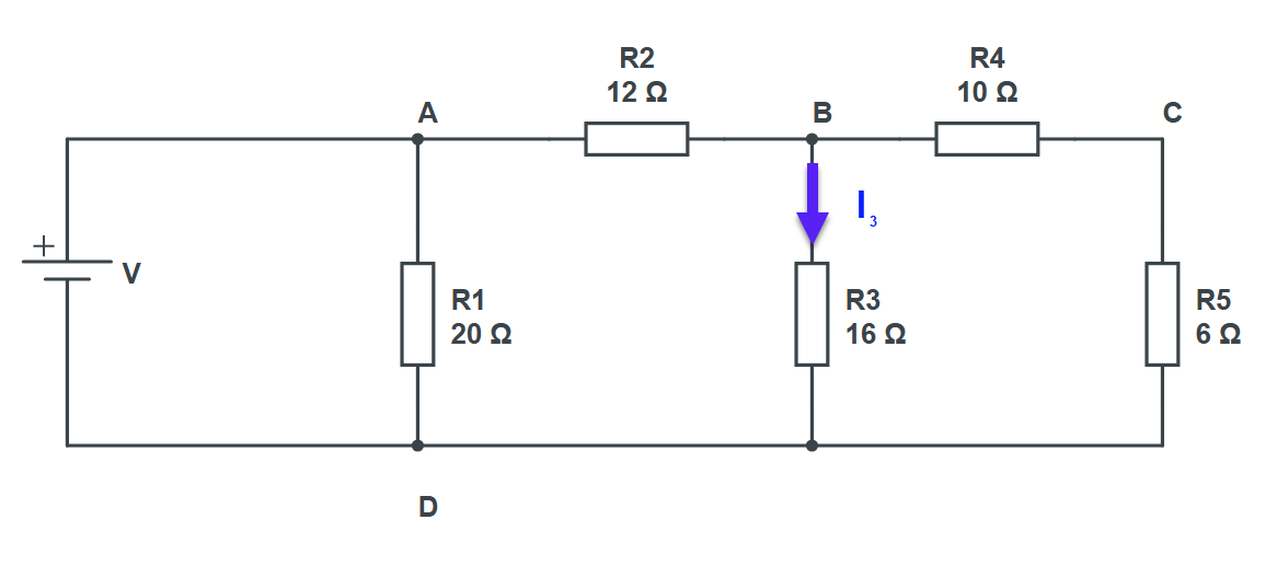
Determina las magnitudes desconocidas (I, V, P) de cada una de las resistencias del circuito del circuito si la intensidad de corriente que fluye por de R3 es de 1 A.

Sol: V3= 16 V ; VBD=16 V; I4=I5=1A; R345=8 Ω; R2345=20 Ω; VAD=V2+VBD; VAD=VT=40 V; IT=4A; I1=2A; I2=2A; I4=1A; I5=1A; P1=80W; P2=48W; P3=16W; P4=10W; P5=6W; PT=160 W
Obra publicada con Licencia Creative Commons Reconocimiento Compartir igual 4.0