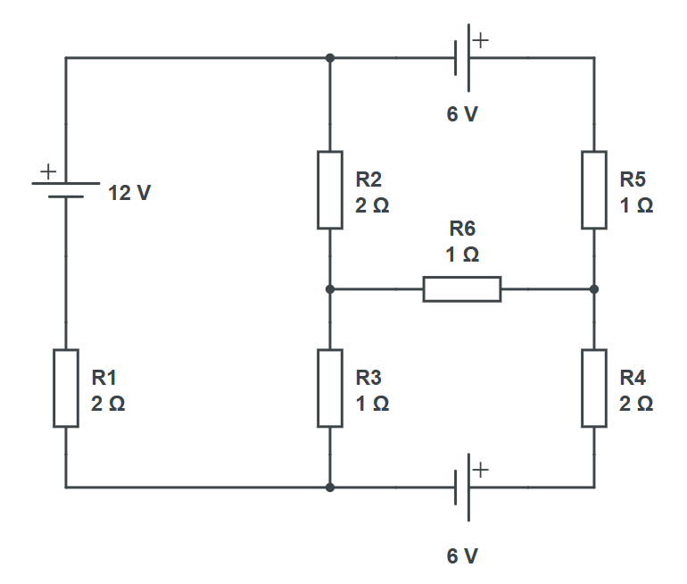
📒41. Copia y resuelve en tu cuaderno
Determina las corrientes de malla en el circuito de la imagen:

Sol: IA=3,88 A; IB=3,53 A; IC=0,353 A
Determina las corrientes de malla en el circuito de la imagen:

Sol: IA=3,88 A; IB=3,53 A; IC=0,353 A
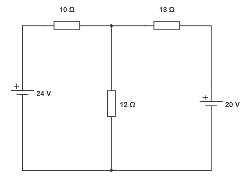
Calcula las corrientes que pasan por cada una de las resistencias del circuito:

Sol: Ia=0,930 A; Ib=0,147 A; I12Ω=0,783 A
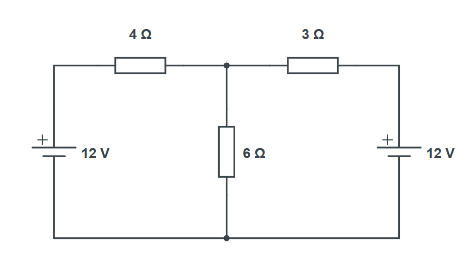
Calcula las corrientes que pasan por cada una de las resistencias del circuito:

Sol: Ia=0,666 A; Ib=-0,888 A; I6Ω=+1,555 A
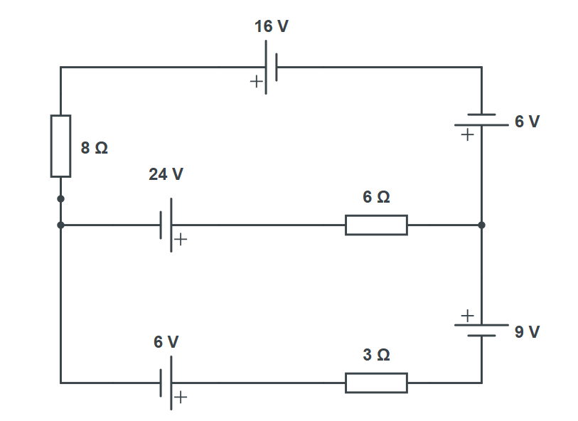
Determina las corrientes que pasan por cada rama del circuito:

Sol: IA=-2,8 A; IB=-0,866 A; I6Ω=-3,66 A
Obra publicada con Licencia Creative Commons Reconocimiento Compartir igual 4.0